High Precision Operational Amplifier, SGM8291 Replace TP2271.
SGM8291
SGM8291.pdf
FEATURES
• Low Power Consumption: 150μA/Amplifier
• Low Offset Voltage: 1.5mV (MAX)
• Wide Input Common Mode Voltage Range
• Low Input Bias and Offset Currents
• Output Short-Circuit Protection
• Rail-to-Rail Output
• High Input Impedance
• High Slew Rate: 7V/μs
• Small Packaging:
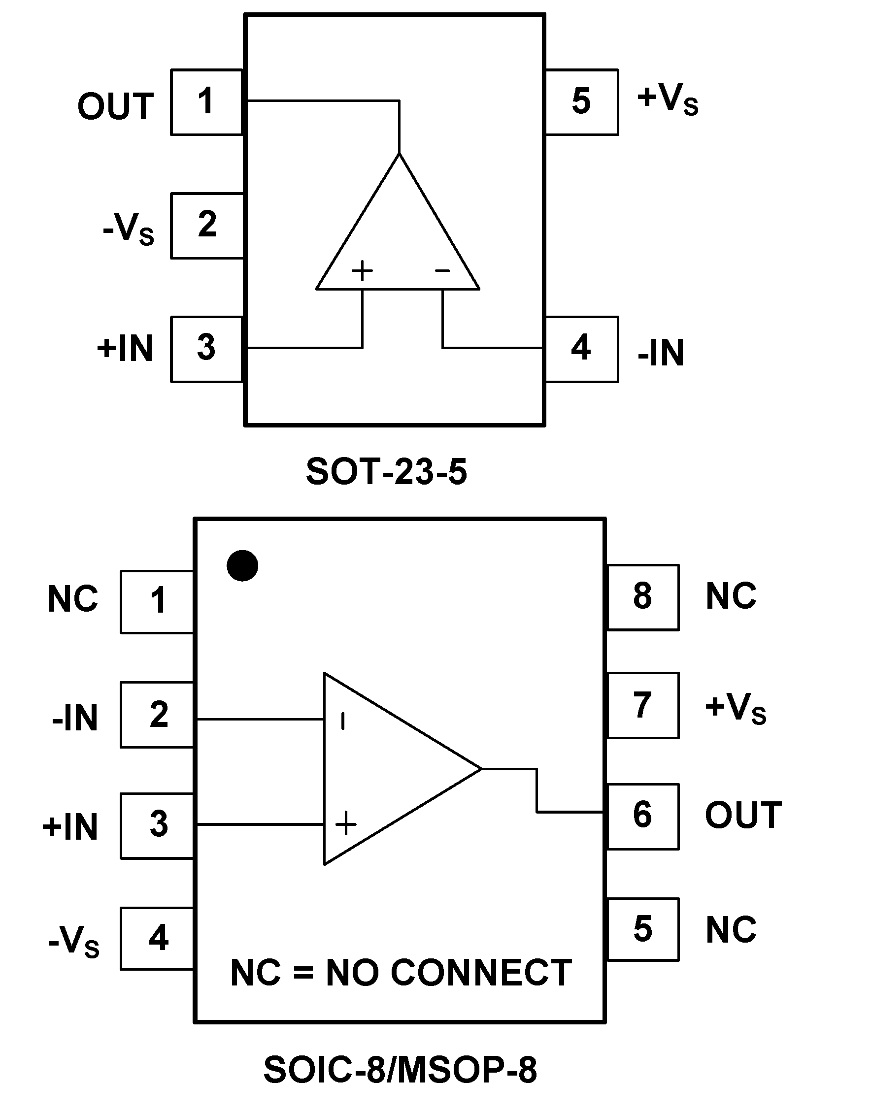
SGM8291 Available in Green SOT-23-5, MSOP-8
and SOIC-8
PIN CONFIGUTION
CROSS
FEATURES
• Gain-bandwidth Product: 7MHz
• High Slew Rate: 20V/μs
• High EMIRR: 84dB at 900MHz
• Low Noise: 19 nV/√Hz(f= 1kHz)
• Wide Supply Range: 2.7V to 36V
• Low Offset Voltage: 1.0mV Maximum
• Low Input Bias Current: 3pA Typical
• Below-Ground (V-) Input Capability to -0.3V
• Rail-to-Rail Output Voltage Range
• High Output Current: 80mA (2.0V Drop)
• Unit Gain Stable
PIN CONFIGUTION









