No.10842
• Low Cost
• Rail-to-Rail Output 2mV Typical VOS
• High Speed
250MHz, -3dB Bandwidth (G = +1)
130V/μs, Slew Rate
58ns Settling Time to 0.1% with 2V Step
• Operates on 2.5V to 5.5V Supplies
• Input Voltage Range = -0.2V to +3.8V with VS = 5V
• Excellent Video Specs (RL = 150Ω, G = +2)
Gain Flatness 0.1dB to 37MHz
Diff Gain: 0.03%, Diff Phase: 0.08 degree
• Low Power
2.3mA/Amplifier Typical Supply Current
75μA/Amplifier when Disabled (SGM8053/5 Only)
• Small Packaging
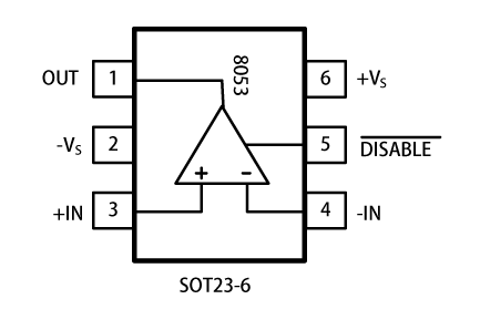
SGM8053 Available in SOT23-6 and SO-8
The SGM8051/3(single), SGM8052/5(dual), SGM8054 (quad) are rail-to-rail output voltage feedback amplifiers offering ease of use and low cost. They have bandwidth and slew rate typically found in current feedback amplifiers. All have a wide input common-mode voltage range and output voltage swing, making them easy to use on single supplies as low as 2.5V.Despite being low cost, the SGM8051 series provide excellent overall performance. They offer wide bandwidth to 250MHz (G = +1) along with 0.1dB flatness out to 37MHz (G = +2) and offer a typical low power of 2.3mA/amplifier.
The SGM8051 series is low distortion and fast settling make it ideal for buffering high speed A/D or D/A converters. The SGM8053/5 has a power-down disable feature that reduces the supply current to 75μA. These features make the SGM8053/5 ideal for portable and battery-powered applications where size and power are critical. All are specified over the extended – 40℃ to +125℃ temperature range

